產品介紹
咨詢服務熱線:13957717877
產品概述
資料下載
相關產品
相關資訊


為何選擇GRT6-RL交替循環型時間繼電器? |
GRT6-RL通過模塊化設計將復雜時序控制簡化為用戶友好的操作,其高精度、高兼容 性與緊湊結構大幅降低系統集成成本,是替代傳統PLC控制的輕量化解決方案。適用于需 長期穩定運行、多設備協作的智能化場景,助力用戶提升能效管理水平。 |
GRT6-RL交替循環型時間繼電器產品特點: |
1、?雙通道獨立延時,精準控制? - 支持ON(啟動)和OFF(關閉)獨立延時設定,可自由配置不同時間參數(例如: 啟動延時10分鐘,關閉延時2小時),滿足復雜時序需求。 - ?0.1秒至100天超寬延時范圍?,覆蓋從瞬時操作到超長周期的多樣化場景,10檔位調 節精度,適配設備精細化控制。 |
2、?負載工作模式靈活切換? 通過短接端子S-A1,可快速切換左右負載的優先啟動順序,無需重新接線,顯著提升 設備調試與維護效率。 |
3、?強兼容性設計? 支持AC/DC 24V-240V超寬電壓輸入,兼容全球主流電力標準,適應工業、民用等多 種供電環境。 |
4、?狀態可視化與便捷安裝? - 內置LED指示燈實時顯示繼電器工作狀態(通電/延時/輸出),故障排查一目了然。 ?- 18mm超薄機身?,35mm標準卡軌安裝,節省控制柜空間,輕松適配高密度電氣布 局。 |
GRT6-RL交替循環型時間繼電器產品應用: |
1、?工業設備散熱控制? 雙風機交替運行,避免單機過載,延長設備壽命(如:電機冷卻系統、配電柜散熱)。 |
2、?農業灌溉與溫室管理? 定時切換灌溉區域或通風設備,實現水肥均勻分布與環境恒溫控制。 |
3、?智能照明系統? 雙路燈光循環啟停,模擬自然光照周期,適用于養殖場、植物工廠等場景。 |
4、?設備輪換節能模式? 在備用設備間自動切換工作(如水泵、空壓機),平衡負載并降低能耗。 |
5、?實驗室與醫療設備? 精密儀器間歇性運行控制,保障實驗穩定性與設備安全。 |

GRT6-RL交替循環型時間繼電器型號說明: |

GRT6-RL交替循環型時間繼電器技術參數: |
| 型號 | GRT6-RL | |
| 功能 | 交替循環 | |
| 電源端子 | A1-A2 | |
| 額定控制電源電壓 | S240 | AC/DC 24-240V 50Hz |
| 消耗功率 | AC 0.09-3VA/DC 0.05-1.7W | |
| 額定控制電源電壓 | A220 | AC 220V 50Hz |
| 消耗功率 | AC max.6VA/1.9W | |
| 電源允許波動范圍 | -15%;+10% | |
| 額定沖擊耐受電壓 | 2.5kV | |
| 額定絕緣電壓 | 250V | |
| 電源指示燈 | 綠色LED | |
| 延時范圍 | 0.1秒-100天 | |
| 設定方式 | 旋鈕 | |
| 設定精度 | 10% | |
| 重復精度 | 0.2% | |
| 溫度波動誤差 | 0.05%/℃ | |
| 輸出觸點參數 | 2組轉換觸點 | |
| : Ith:10A;AC-15:Ue/le:250V/5A | ||
| 小切換功率 | 500mW | |
| 輸出繼電器指示 | 紅色LED | |
| 機械壽命 | 1×107 | |
| 電壽命(阻性負載) | 1×10? | |
| 復位時間 | 200ms | |
| 工作環境溫度 | -20℃~+55℃ | |
| 存儲和運輸環境溫度 | -35℃~+75℃ | |
| 安裝方式 | 35mm卡軌安裝 | |
| 防護等級 | IP20 | |
| 安裝位置 | 任意 | |
| 安裝海拔高度 | ≤2000米 | |
| 污染等級 | 2 | |
| 接線能力 | 1×2.5mm2或2×1.5mm20.4N ·m | |
| 外形尺寸 | 90mm×18mm×64mm | |
| 重量 | S240-67g,A230-70g | |
| 符合標準 | GB/T14048.5,IEC60947-5-1,EN 61812-1 | |

GRT6-RL交替循環型時間繼電器產品面板: |

![]() | 旋鈕1:延時檔位設定,s表示秒,m表示分,h表示小時,d表示天。 |
![]() | 旋鈕2:延時時間細調,10%~100%可調。 |
| 延時時間=旋鈕1×旋鈕2。 例1:需要設定5秒,可將旋鈕1設為10s,旋鈕2設為50%,延時時間=10s×50%=5s。 例2:需要設定8分,可將旋鈕1設為10m,旋鈕2設為80%,延時時間=10m×80%=8m。 | |
GRT6-RL交替循環型時間繼電器產品尺寸: |


GRT6-RL交替循環型時間繼電器產品功能: |

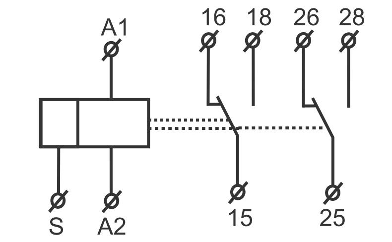
GRT6-RL交替循環型時間繼電器產品接線: |


上一個:HPIGY高壓堆疊式儲能鋰電池
下一個:GYF低壓儲能一體機
優惠券
我們的微信
13957717877
13957796089