產品介紹
咨詢服務熱線:13957717877
產品概述
資料下載
相關產品


為何選擇GRM8系列脈沖繼電器? |
在需要多點控制的場景中(如大型辦公區、樓梯間、長廊、智能家居等),傳統多路 開關系統需鋪設大量線纜且成本高昂。GRM8系列通過脈沖觸發機制,僅需兩芯控制線 即可連接任意數量的控制點,大幅降低安裝復雜度與施工成本,是替代傳統3路開關方案 的理想選擇。 |
GRM8系列脈沖繼電器產品優勢: |
1、布線簡化:單路控制線替代復雜多路布線 |
2、擴展靈活:支持無限量控制點位擴展 |
3、經濟高效:節省線材成本與安裝工時 |
4、兼容性強:適配多種電壓環境與開關類型 |
5、空間優化:緊湊設計提升配電箱空間利用率 |
GRM8系列脈沖繼電器產品特點: |
1、寬電壓適配 - 提供AC 220V及AC/DC 12V~240V雙電壓規格,滿足不同電氣環境需求,尤其適 用于交直流混合應用場景。 |
2、氖燈開關兼容性 - AC 220V版本可直接匹配帶氖燈指示的墻壁開關,實現開關狀態可視化。 |
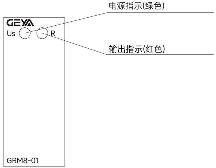
3、運行狀態可視化 - 內置雙色LED指示燈,實時顯示繼電器通斷狀態,便于設備調試與故障排查。 |
4、高密度安裝設計 - 采用超薄機身(寬度僅18mm)及標準35mm卡軌安裝方式,節省配電箱空 間,支持密集型排布。 |
5、穩定長壽命 - 機械壽命達10萬次以上,觸點材料經工藝處理,高頻操作下的電氣穩定 性。 |
GRM8系列脈沖繼電器產品應用: |
1、多點位照明控制 - 適用于長廊、樓梯、大型會議室等需多處控制的照明系統,通過并聯多個按鈕開 關,實現"單點觸發,全局響應"的便捷操作。 |
2、智能家居集成 - 兼容智能控制模塊(如PLC、IoT終端),可作為智能燈光系統的底層執行單元,支 持遠程/定時控制功能擴展。 |
3、商業節能改造 - 在商場、倉庫等大面積照明場所,通過簡化布線與集中控制,降低改造成本并實現 分區能耗管理。 |
4、工業設備控制 - 適用于需要多點啟??刂频碾姍C、風機等設備,減少控制柜線路復雜度,提升系統 維護效率。 |
5、環境適配 - DC 12~240V寬壓版本可滿足低壓安全場所(如浴室、游泳池)及車載/船舶電氣 系統的控制需求。 |

GRM8系列脈沖繼電器型號說明: |
|
GRM8系列脈沖繼電器技術參數: |
型號 | GRM8-01 | GRM8-02 | |
功能模式 | 1 | 2 | |
電源端子 | A1-A2 | ||
額定電源電壓 | W240 | AC/DC 12-240V(50-60Hz) | |
消耗功率 | AC 0.7-3VA/DC 0.5-1.2W | ||
額定電源電壓 | A220 | AC 220V(50-60Hz) | |
消耗功率 | AC max12VA/1.3W | AC max12VA/1.9W | |
電源允許波動范圍 | -15%;+10% | ||
電源指示燈 | 綠色LED | ||
控制端 | A1-S | ||
氖燈連接 | AC 220V規格可以(A1-S) | ||
氖燈連接數量 | 220V,75個(按氖燈電流約0.68mA/220VAC) | ||
控制信號寬度 | 小25ms | ||
| 輸出繼電器 | 1×SPDT | 2×SPDT | |
16A/AC1 | |||
250VAC/24VDC | |||
小切換功率 | 500mW | ||
輸出繼電器指示 | 紅色LED | ||
機械壽命 | 1×10? | ||
電壽命(阻性負載) | 1×10? | ||
復位時間 | 200ms | ||
工作環境溫度 | -20℃~+55℃ | ||
存儲和運輸環境溫度 | -35℃~+75℃ | ||
安裝方式 | 35mm卡軌安裝 | ||
防護等級 | IP20 | ||
安裝位置 | 任意 | ||
安裝海拔高度 | ≤2000米 | ||
污染等級 | 2 | ||
接線能力 | 1×2.5mm2或2×1.5mm2 0.4N ·m | ||
外形尺寸 | 90mm×18mm×64mm | ||
重量 | W240-60g,A220-59g | W240-84g,A220-82g | |
符合標準 | EN 60810-1 | ||

GRM8系列脈沖繼電器產品面板: |
|
GRM8系列脈沖繼電器產品尺寸: |
|
GRM8系列脈沖繼電器產品接線: |
|

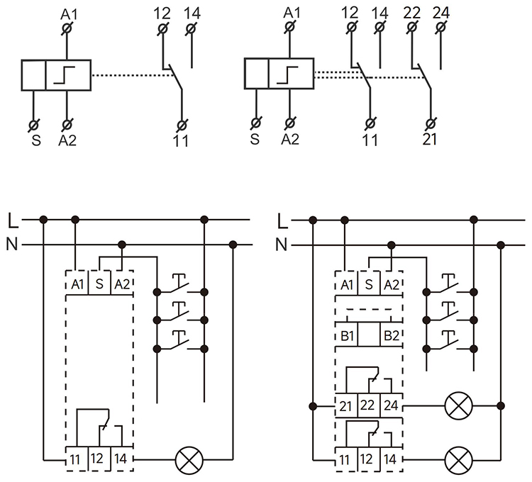
GRM8系列脈沖繼電器產品功能: |
GRM8-01 |
|
GRM8-02 |
|
GRM8系列脈沖繼電器應用示例: |
在一個房間的不同位置控制燈,可根據實際需要打開不同的燈組。 |
|
優惠券
我們的微信
13957717877
13957796089