產品介紹
咨詢服務熱線:13957717877
產品概述
資料下載
相關產品


為何選擇GRB8系列光控繼電器? |
在需要根據環境光線實現自動化控制的場景中,GRB8系列光控繼電器提供了一種穩 定、靈活且易于安裝的解決方案。其寬電壓適應性與模塊化設計,可輕松集成到各類照 明及設備控制系統中,提升能效管理水平和操作便捷性。 |
GRB8系列光控繼電器產品優勢: |
1、環境自適應:內置高靈敏度感光元件,精準響應自然光照變化 |
2、靈活調控:支持手動與自動模式無縫切換,滿足多樣化控制需求 |
3、空間友好:超薄機身設計,化節省電氣安裝空間 |
4、安全可靠:符合主流電氣規范,適配全球通用電壓 |
5、狀態可視:直觀LED指示,實時掌握設備運行狀態 |
GRB8系列光控繼電器產品特點: |
1、智能感光調節 - 配備高精度光敏探頭,可通過旋鈕連續調節光控靈敏度(5-100 Lux),精準適應 不同安裝環境的照明需求。 |
2、三模智能切換 - 創新設計開/自動/關三檔模式開關,用戶可根據場景自由選擇常通、光控或關閉狀 態,操控靈活高效。 |
3、雙重控制保障 - 支持外接機械開關強制切斷輸出,在自動模式下保留人工干預權限,提升系統可控 性。 |
4、寬電壓強兼容 - AC 110V~240V寬幅電源輸入,無縫適配全球主流電網標準,免除電壓匹配困擾。 |
5、運行狀態可視化 - 雙色LED指示燈清晰顯示工作狀態(綠色:電源指示;紅色:輸出指示),故障排 查一目了然。 |
6、緊湊工業設計 - 僅18mm超窄寬度,支持35mm標準卡軌安裝,大幅節省配電箱空間,尤其適合密 集布線場景。 |
GRB8系列光控繼電器產品應用: |
1、公共照明智能化 - 廣泛應用于住宅樓道、地下車庫、廠區通道等公共區域的照明系統,實現“人來燈 亮、人走燈緩熄”的節能控制,降低運維成本。 |
2、戶外設備光感啟停 - 自動控制路燈、庭院燈、景觀燈帶等戶外照明設施,同步聯動廣告燈箱、霓虹招牌 的定時啟閉,提升商業形象同時優化能耗。 |
3、安防聯動系統 - 配合監控設備、電子圍欄等安防裝置,在夜間低照度環境下自動激活設備運行,強 化場所安全保障。 |
4、農業環境調控 - 應用于溫室大棚補光系統、畜禽養殖照明等場景,依據自然光照強度智能調節人工 光源,助力精細化農業生產。 |
5、設備自動化 - 適用于需要晝夜模式切換的自動售貨機顯示屏、交通標識燈、光伏儲能設備等,實 現能源高效利用。 |

GRB8系列光控繼電器型號說明: |
|
GRB8系列光控繼電器技術參數: |
型號 | GRB8-01 |
功能 | 光控開關 |
電源端子 | L-N |
額定電源電壓 | AC 110V-240V |
額定電源頻率 | 50160Hz |
額定沖擊耐受電壓 | 2.5KV |
額定絕緣電壓 | 250V |
消耗功率 | 2VA |
電源允許波動范圍 | -15%;+10% |
靈敏度調節范圍 | 大約1-100Lx |
工作模式 | 開-自動-關可設定 |
電源指示燈 | 綠色LED |
傳感器探測誤差 | ±35% |
動作延時時間 | 2min |
| 輸出觸點參數 | 1×SPST |
16A/AC1 | |
250VAC/24VDC | |
小切換功率 | 500mW |
輸出繼電器指示 | 紅色LED |
機械壽命 | 1×10? |
電壽命(阻性負載) | 1×10? |
工作環境溫度 | -20℃~+55℃ |
存儲和運輸環境溫度 | -35℃~+75℃ |
安裝方式 | 35mm卡軌安裝 |
防護等級 | IP20 |
安裝位置 | 任意 |
安裝海拔高度 | ≤2000米 |
污染等級 | 2 |
接線能力 | 1×2.5mm2或2×1.5mm2 0.8N ·m |
外形尺寸 | 90×18×64mm |
重量 | 65g |

GRB8系列光控繼電器產品面板: |
|
GRB8系列光控繼電器功能圖: |
|
GRB8系列光控繼電器產品尺寸: |
|

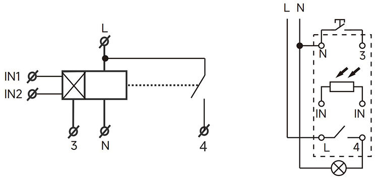
GRB8系列光控繼電器產品接線: |
|
GRB8系列光控繼電器應用示例: |
|
注:如不需要在外部接關閉控制按鈕,端子3可以不接。 |
GRB8系列光控繼電器負載類型: |
| | | | | |
2000W | 2000W | 1000W | 900W(125uF) | 400W | 300W |
上一個:GRI8-06系列電流繼電器
優惠券
我們的微信
13957717877
13957796089