產品介紹
咨詢服務熱線:13957717877
產品概述
資料下載
相關產品
相關資訊


為什么選擇GRV8-21-26系列三相電壓繼電器? |
GRV8-21-26系列三相電壓繼電器以軍工級精度、模塊化設計及場景化功能定義,重 新定義工業電壓保護標準。無論是嚴苛的移動環境,還是復雜的電力系統,均可為用戶 構建安全、高效的用電防線。 |
GRV8-21-26系列三相電壓繼電器產品特點: |
1、?高精度真有效值測量? 采用真有效值(True RMS)測量技術,在諧波干擾或波形畸變的復雜工況 下仍能精準獲取電源電壓數據,測量精度<1%,有效避免誤判風險。 |
2、?靈活的多級電壓設定? 配備8級可調額定工作電壓旋鈕(支持21V至26V范圍),用戶可根據現場需求快速 配置動作閾值,適配多樣化電網標準與設備規格。 |
3、?寬頻自適應能力? 45Hz-65Hz寬頻測量范圍,兼容全球主流電網頻率,特別適用于發電機供電、應急 電源切換等頻率波動場景。 |
4、?狀態可視化與緊湊設計? ? LED指示燈實時反饋繼電器通斷狀態,支持快速故障排查。 ? 超薄機身僅18mm寬,支持35mm標準卡軌安裝,大幅節省控制柜空間,適配高密 度布線場景。 |
GRV8-21-26系列三相電壓繼電器產品應用: |
1、?移動設備電源管理? 為冷藏車、農業機械、野外作業設備等移動平臺提供穩定連接控制,防止因電壓異常 導致的設備停機或損壞,保障連續作業能力。 |
2、?反向運行保護? 實時監測三相電源相序,自動切斷逆相供電回路,避免電機反轉、設備過熱等安全隱 患,守護人員與設備安全。 |
3、?雙電源無縫切換? 在正常供電與應急發電機/UPS系統間實現智能切換,關鍵負載不斷電運行,滿足 醫院、數據中心等高可靠性場景需求。 |
4、?負載風險預警? 精準識別缺相、電壓不平衡等異常工況,及時斷開故障電路,防止驅動電機、變頻器 等敏感負載因相位故障導致的損毀。 |

GRV8-21-26系列三相電壓繼電器型號說明: |

| 功能代碼 | 過電壓 | 欠電壓 | 非對稱性 | 延遲時間 | 相序 | 斷相 |
| 21 | ○ | ● | ||||
| 22 | 2%...25%,OFF | OFF,-25%.…-2% | 0.1s...10s | ● | ● | |
| 23 | 2%...25%,OFF | OFF,-25%….-2% | 8% | 0.1s...10s | ● | ● |
| 24 | 2%.25%,OFF | OFF,-25%…-2% | 2%….20%,OFF | 2s | ● | ● |
| 25 | 2%...20% | 0.1s...10s | ● | ● | ||
| 26 | 15% | -15% | 8% | 2s | ● | ● |
| Note: ●該功能可用 ○功能可調 | ||||||
GRV8-21-26系列三相電壓繼電器產品面板: |




GRV8-21-26系列三相電壓繼電器技術參數: |
| 技術參數 | 3P3W | 3P4W |
| 功能 | 監測三相電壓 | |
| 監控終端 | L1-L2-L3 | L1-L2-L3-N |
| 電源端子 | L1-L2 | L1-L2 |
| 電壓范圍 | 380-400-415-440-480 (P-P) | 220-230-240-254-277 (P-N) |
| 頻率 | 45Hz-65Hz | |
| 測量范圍 | 260V-600V | 150V-350V |
| 閾值調整電壓 | 未選擇的2%-25% | |
| 不對稱閾值的調整 | 5%-20% | |
| 遲滯 | 2% | |
| 相位故障值 | 70%未選擇 | 70%未選擇 |
| 時間延遲 | 可調0.1s-10s,10% | |
| 測量誤差 | ≤2% | |
| 通電時的啟動延遲 | 0.5秒延時 | |
| 旋鈕設置精度 | 標度值的10% | |
| 供應指示 | 綠色LED | |
| 輸出指示 | 紅色LED | |
| 復位時間 | 1s | |
| 輸出 | 2×SPDT | |
| 額定電流 | 8A/AC1 | |
| 開關電壓 | 250VAC/24VDC | |
| 小泄漏容量DC | 500mW | |
| 溫度系數 | 0.05%/℃,at=20℃(0.05%F,at=68°F) | |
| 機械壽命 | 1×107 | |
| 電氣壽命(AC1) | 1×10? | |
| 工作溫度 | -20℃ to+55℃(-4°F to 131°F) | |
| 儲存溫度 | -35℃ to+75℃(-22°F to 158F) | |
| 安裝/DIN導軌 | 導軌EN/IIEC60715 | |
| 防護等級 | 前面板IP40/IP20端子 | |
| 操作位置 | any | |
| 過電壓類別 | Ⅲ. | |
| 污染程度 | 2 | |
| 電纜尺寸(mm2) | 實心線1×2.5或2×1.5/帶套筒1×2.5mm(AWG12) | |
| 擰緊力矩 | 0.4Nm | |
| 尺寸 | 90×18×64mm | |
| 重量 | 68g-71g | |
GRV8-21-26系列三相電壓繼電器產品尺寸: |


GRV8-21-26系列三相電壓繼電器功能圖: |




注: 1.如果電源端子(L1和L2)發生相位故障,功能LED將不會指示。 |
2.如果設備運行時Un開關位置發生變化,兩個LED會短暫閃爍,但產品在位置變化前通 電時選擇的電壓下繼續正常運行。如果開關返回到上次通電前選擇的原始位置,LED將 恢復正常狀態。 |
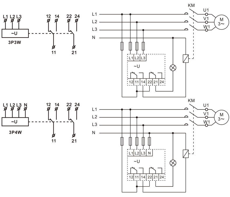
GRV8-21-26系列三相電壓繼電器產品接線: |

上一個:GYC低壓堆疊式一體機
下一個:GYD低壓鉛酸替代式儲能鋰電池
優惠券
我們的微信
13957717877
13957796089