產品介紹
咨詢服務熱線:13957717877
產品概述
資料下載
相關產品
相關資訊


GYR9NE-B型漏電保護器工作原理及標準:
1、該產品對于正弦交流剩余電流、脈沖直流剩余電流、交流剩余正弦電流(高達1000
Hz)、脈沖直流剩余電流和平滑的直流剩余電流(無論是突然施加還是緩慢增加)都有可
靠動作。
2、產品符合標準:IEC62423、IEC61009.1、GB22794、GB16917.1。
3、雙匯流排接線功能。
4、產品具有漏電故障指示。
5、接線能力25mm2。
GYR9NE-B型漏電斷路器功能及應用:
GYR9NE-B帶過載保護的B型剩余電流動作斷路器具有漏電保護功能,適用于工業、商
業、高層 和民用住宅等各種場合。

GYR9NE-B型剩余電流動作斷路器技術參數:
| 剩余電流動作類型 | B | ||
| 額定電流 | In | A | 6、10、16、20、25、32、40 |
| 脫扣曲線 | B、C | ||
| 數 | 1P+N | ||
| 額定工作電壓 | Un | V | 240V |
| 額定絕緣電壓 | Ui | V | 400 |
| 工作頻率 | Hz | 50160 | |
| 額定剩余不動作電流 | | △n0 | mA | 0.5|△n |
| 額定剩余動作電流 | | △n | mA | 30、100、300 |
| 直流電流動作靈敏度 | I△ndc | mA | 0.5~2 I△n |
| 額定沖擊耐受電壓 | Uimp | V | 4000 |
| 一分鐘介電耐壓 | V | 2000 | |
| 額定限制短路電流 | Inc | A | 6000 |
| 額定剩余接通和分斷能力 | | △c | A | 6000 |
| 額定接通和分斷能力 | Im | A | 500A(25A,40A),或10In(≥63A) |
| 額定剩余接通和分斷能力 | I△m | A | 500A(25A,40A),或10In(≥63A) |
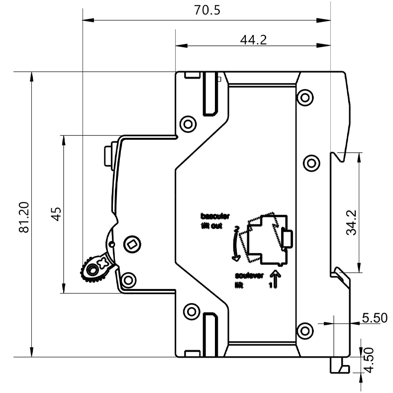
GYR9NE-B型剩余電流動作保護器產品尺寸:


GYR9NE-B帶過載保護漏電斷路器剩余漏電電流分斷時間:
| 額定電流In(A) | 額定剩余動作電流I△n(mA) | 剩余電流分斷時間(s) | ||
| I△n | 2I△n | 5I△n | ||
| 6、10、16、20、25、40 | 30 | 0.1 | 0.08 | 0.04 |
GYR9NE-B帶過載保護漏電保護器檢測波形及保護范圍:

下一個:GYM7DC系列直流塑殼斷路器
優惠券
我們的微信
13957717877
13957796089